买了两只拆机哈曼卡顿二分频无源音箱,开始折腾

家里电脑用的旧音箱年久失修,发现喇叭振膜全破了,然后突然就心血来潮上网掏来这两音箱(主要还是它便宜), 卖家在输入端串了一个电容做高低音分频器,

听起歌来感觉差点意思,于是上网找相关的资料, 大概了解到: 该音箱为拆机于韩国电信KT出的Giga Genie 2智能音响里(并非网传的拆于投影机)
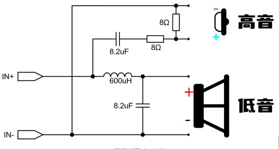
最后于B站 UP主大佬 摇滚陈 改装二分频的图纸( 原截图里低音正负写反了 下面的图我改正了)

买配件折腾起来:

最后成品 ,效果还不错

因为原我用的功放机是 双100W输出 怕是把喇叭烧了,换了个12V电源上去测量实时峰值电压7.5V (平均我自己习惯的音量更是在 2-3V左右) 功率完全没问题
